(上有田) - 有田 - (三河内)(三代橋) (訪問日: 2025/04/19)
佐賀平野からひと山超えて、永尾駅の次は有田駅に行ってみました。(途中の三間坂、上有田はまた今度)。上有田の手前、山間を通るときは佐世保線と並走で、追い越された特急はハウステンボスですかな。


上有田の谷あいに入ったところで国道から分かれて旧道の県道へはいり、有田焼関係の店の間を通って有田市街へ。踏切で線路の南側に出たところが有田市街で駅前交差点を曲がってその奥に有田駅があります。



有田駅はJRと松浦鉄道が同居する有人の地上駅。駅舎の屋根に大きな明り取りの天蓋が目立ちます。駅舎横に駐車場が6台分、そのほかに線路沿いにTimesやAkiPaの有料駐車場があり、駐輪場も東西両方に各々約50台(屋根付き)があります。


下の写真は駅舎右手(東側)の駐車場、駐輪場。


こちらは駅舎西側の駐輪場。
駅舎内待合室の左手がJR窓口で自動券売機も設置、右手が松浦鉄道(MR)の窓口。MR窓口の右隣には売店がありますが、時々閉まっているので、列車が来るときとかのパートタイムで営業しているのかも。改札口のタッチ改札機はJR用です。



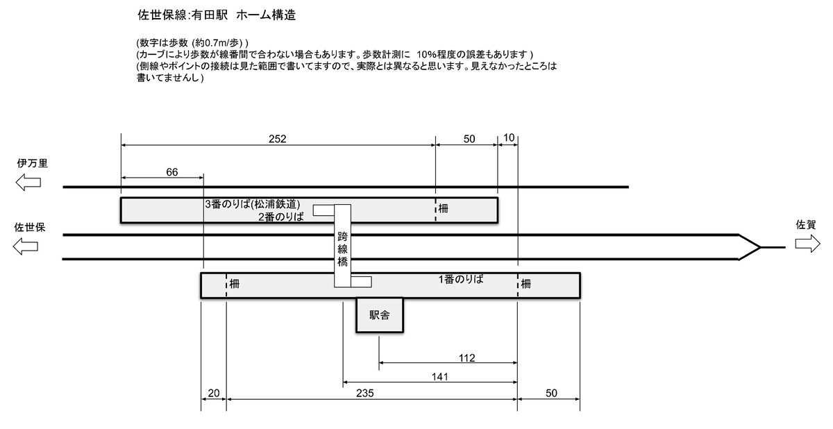
ホームは駅舎に接して単式1面1線と島式1面2線で跨線橋で連絡。下は単式ホーム(1番のりば)の中央から見た佐賀方面、その次が佐世保・伊万里方面です。

下は跨線橋から見た佐賀方面のホーム全景、次は佐世保・伊万里方面。

島式ホームの3番のりばは松浦鉄道用で、乗換用のタッチ式改札機が置かれています。要するにJRの改札口がここまで出張っているということですね。わざわざ跨線橋を回って改札に行かなくても済む。こういうサービスを見るにつけ、東京駅の東北・東海道新幹線の乗継をもっと便利にしてもらいたいもんです。EX-ICカードやモバイルICOCAではあの乗継改札を抜けられなくて、いったん改札を出ないといけないのは、どうよ、と思うのです。



こちらは3番のりばの佐賀方面の様子。多くの側線の向こう側はコンテナステーション、オフレールステーションというんですかね。それから3番線のレールはホーム端のところで草叢に覆われて通過できなくなっていて、車両止めはないけど実質上の終端となっている?

おまけ:1番のりばにあった構内庭園。1964年に作られたそうで、今でも手入れされています。

ここのJR駅名表は松浦鉄道の路線の駅名も書くんですね。


