(西延岡)(北延岡) - 延岡 - (南延岡) (訪問日: 2025/06/28)
昨年の梅雨明け、高千穂から五ヶ瀬川沿いに延岡へ向かって国道218を走ってみました。その時に立ち寄った日豊本線、最初は延岡の中心駅の延岡駅です。国道218=神話街道で五ヶ瀬川左岸を走って日豊本線に行き当たる直前に左折し北上、延岡市街地をの中にある延岡駅に着きます。

延岡駅はコンクリート造二階建ての駅舎のある有人駅。駅舎の大半はカフェや書店、待合室などが入った複合施設(encross)になっています。



駅前ロータリーには有料駐車場、そのほかにも駐車場は色々あります。駅舎左手と右手の派出所奥に屋根付きの広い駐輪場がありバイクも入れますが、このときはかなり埋まっていて、結局駐輪場入口の脇に止めてしまいました。


トイレは駅舎内とロータリー脇にいくつかあり。
駅舎にはみどりの窓口や自動券売機(ネット切符対応)があり、タッチ式自動改札機はありません。QRコード対応はこれからかな。


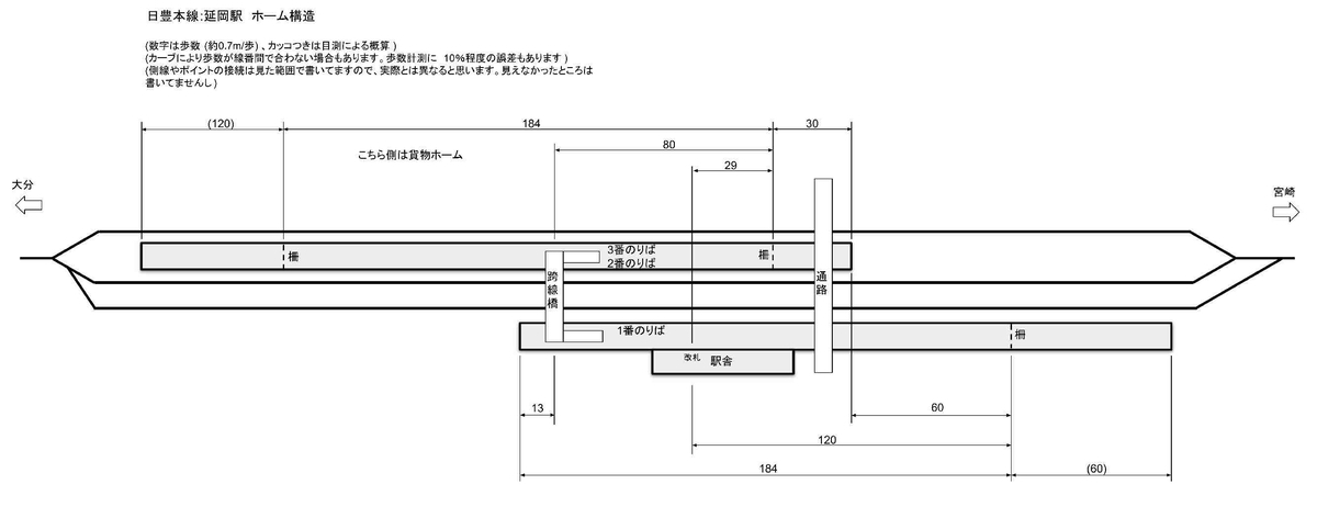
ホームは駅舎に接した西側(大分から見て右側)が単式1面(1番のりば)と島式1面2線(2,3番のりば)、そして島式の東側に貨物ホームと留置線がいくつかあります。単式と島式ホームは大分側にある跨線橋(エレベータ付き)で連絡しています。下の写真は単式ホームから見た宮崎側と大分側のホーム全景。宮崎側には駅東側へ抜ける自由通路があります。

こちらは島式ホームの全景。
下は1番のりば端から見た宮崎方面、次は島式ホーム端から見た大分方面の様子。コンテナの並ぶ貨物ホームが見えます。

跨線橋から見た宮崎側と大分側の様子です。島式ホームの宮崎側、駅舎横を切欠いて高千穂線が入っていたといいますが、今では駐車場で埋められているようで、面影も見て取れません。



おまけ:貨物ヤードに停まっていた電気機関車とディーゼル機関車(モーターカーというのか?)。電気機関車は牛ノ浜駅に停まっていた車両かなと思いましたが、路線が違うし車両番号も違いますね。

