(水俣) - 袋 - (米ノ津) (訪問日: 2025/06/21)
肥薩オレンジ鉄道線(旧鹿児島本線)沿いに走ったツーリング、以前に行っていた水俣駅の次の袋駅に行ってみました。国道3号で水俣から袋集落も過ぎて山越えで線路と交差しながら南下し、高台で脇道に100mくらい入ったところに駅があります。

駅の入口は案内がないので、ハイペースで国道を走っていると見逃してしまいます。下の写真は行きすぎて、南側から引返してきたところです。


袋駅はコンクリート造りの駅舎のある無人駅。この駅舎は肥後二見駅と同じデザインで、花壇があるとこまで一緒。駅前は広く空地になっていて、駐車場、駐輪場の区画はないけど停め放題です。


駅舎に窓口の跡もなく、自動券売機や自動改札機などもありません。待合室の反対側はトイレだったようですが今は閉鎖されています。肥後二見駅もここが閉鎖されていましたが、同じデザインならあっちもトイレだったんでしょうね。ところで待合室の掲示板上に建物財産表があったらしいのに気づきませんでした。財産表を撮っておくチャンスだったのに。



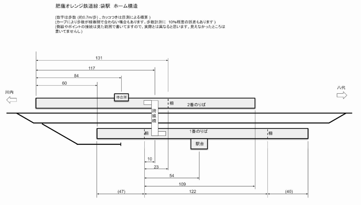
ホームは相対式2面2線で駅舎のある方が1番のりば、対向ホームとは跨線橋で連絡しています。下の写真は1番のりばから見た川内方面のホーム全景で、次は八代方面。レールの付き方を見ると2番のりばの方が1線スルーです。

こちらは2番のりばにある開放式の待合所。
下は跨線橋からみた川内方面と、八代方面の様子。



